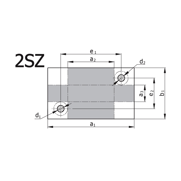
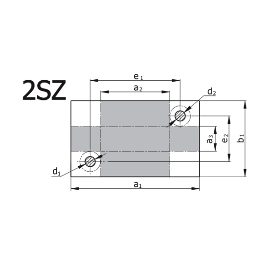
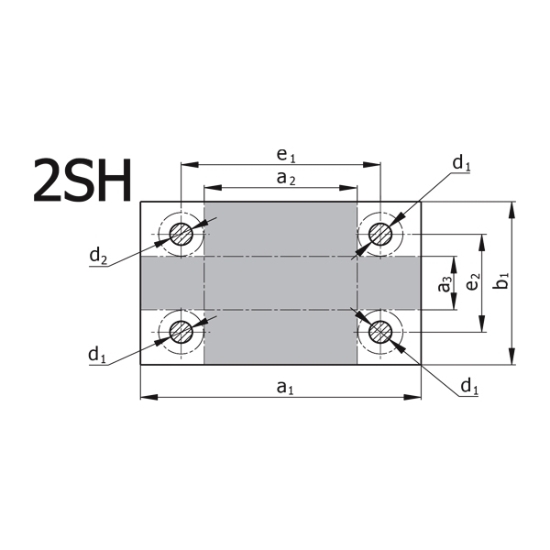
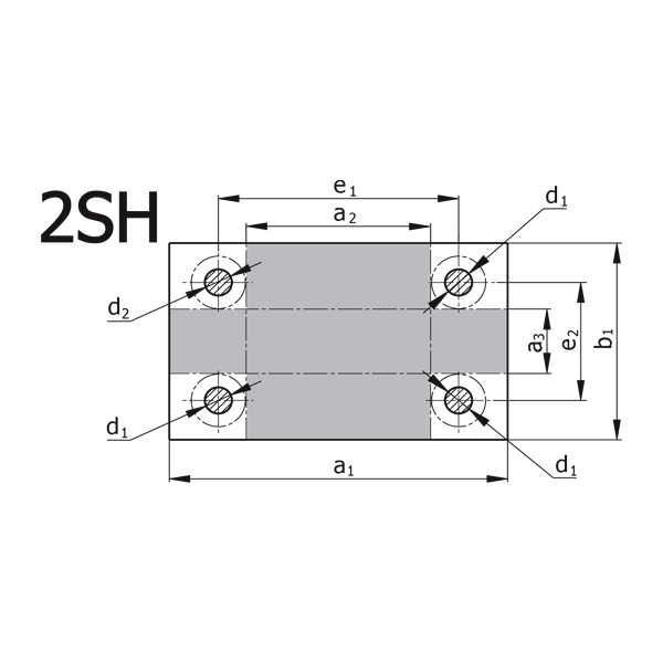
کفشک فولادی دو صفحه ای 2S

مشخصات :

● جنس صفحه: St37, St52, 1.1730
● مشابه با DIN 9868/ISO 11415

● نکته ها:
- ابعاد خارج از جدول، تغييـر در جنس صفحات، سيـستم راهنما، انجام ماشينكاريهاي خاص و تنش زدايي مطابق نظر مشتري قابل انجام است.
- براي سهولت در حمل و نقل ، كفشكهايي كه يكي از ابعاد صفحات آن بيـش از 500 ميليمتر است به دو عدد بارکش پيچي E201 در هرصفحه مجهز مي شود.
- تلرانسهاي دقيق تر در ضـخامت و ابعاد صفـحات مطـابق نظر مشتري قابل انجام است
- ساخت و مونتاژ سيستم راهنماي خاص امکان پذير است.

خرید محصول
اشتراک گذاری
کفشک فولادی دو صفحه ای
نقشه کفشک دو صفحه ای
نقشه کفشک آهنی دو صفحه ای
نقشه کفشک دوصفحه ای فولادی
نقشه کفشک دو صفحه ای آهنی
اندازه کفشک فولادی دو صفحه ای
درحال بارگذاری

نظر خودتان را بنویسد

اگر پرسش یا نظری دارید ثبت کنید و امتیاز بگیرید.