آگاه سازی
صفحه اصلی
محصولات
قطعات پیش ساخته
قطعات پیش ساخته قالب های تزریق
بلوک پلاستیک
بوش راهنما قالب های تزریق
میله راهنما قالب های تزریق
سامانه نازل گرم
صفحه F
صفحه B
سایر محصولات قطعات پیش ساخته قالب های تزریق
سنبه ، ماتریس ، پین و پران
سنبه
ماتریس
پین تثبیت
پران
سایر محصولات
قطعات پیش ساخته قالب های فلزی
کفشک فولادی
کفشک چدنی
سیستم های راهنما
میله راهنما قالب های فلزی
قفسه ساچمه
بوش راهنما قالب های فلزی
مهره و درپوش
سیستم راهنما
سیستم راهنمای گرافیت دار
لوازم قطعات پیش ساخته قالب های فلزی
فنر ها
فنر فولادی
فنر الاستومر
سایر فنر ها
لوازم کمکی
روبند
زیرسری
بغل بند
پیچ ، مهره ، واشر
سایر لوازم کمکی
چسب و افشانه
چسب آناروبیک
چسب قطره ای
کنترل های خط گاز مشعل
شیر برقی
رگلاتور فشار گاز
فیلتر گاز
رگلاتور گاز مایع
کنترل نسبت هوا گاز
شیر اطمینان
شیر قطع سریع فشار بیشینه
شیر دستی اهرمی
قطعات لوازم گازسوز خانگی
شیر کنترل گاز
رگلاتور خانگی
ترموکوپل
ترموکوپل اجاق گاز
ترموکوپل آبگرمکن
ترموکوپل بخاری
اکسی پیلوت
ماشین و تجهیزات
پرس
دستگاه لوله بر
قلاویز زن و لوازم جانبی
ابزار تیز کن
پخ زن
CLAMP
صفحه مغناطیس
گیره
دست ابزار های بادی
تماس با ما
سبد خرید شما خالی است.
ورود | ثبتنام
صفحه اصلی
محصولات
قطعات پیش ساخته
لوازم کمکی
روبند
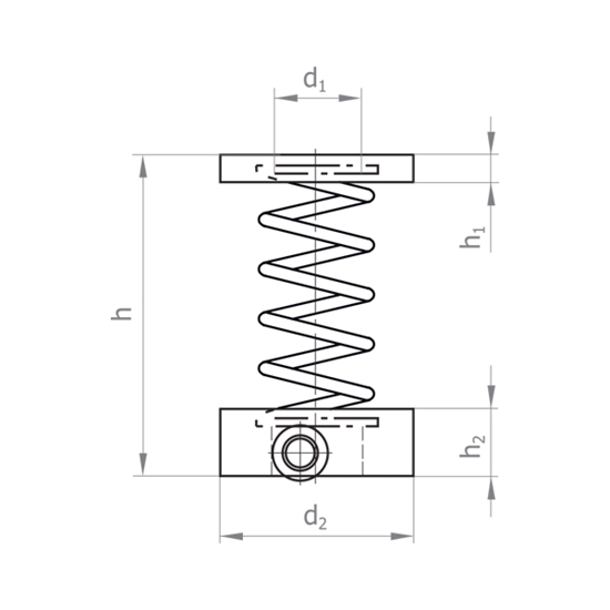
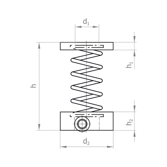
E4053 نگهدارنده روبند فنری | SPRING TYPE CLAMP SUPPORT E4053
E4053 نگهدارنده روبند فنری | SPRING TYPE CLAMP SUPPORT E4053
SPRING TYPE CLAMP SUPPORT
مشخصات :
1
2
3
4
5
اولین نفر باشید که برای این کالا نظر می نویسید
خرید محصول
اشتراک گذاری
درحال بارگذاری
نظرها درباره کالا
نظر خودتان را بنویسد
اگر پرسش یا نظری دارید ثبت کنید و امتیاز بگیرید.
ثبت نظر
نظر خودتان را بنویسد
امتیاز
1
2
3
4
5
عنوان
نظر شما
کالاهای مرتبط
E308 روبند سر استوانه ای | FORKED CLAMP WITH PIN END E308
E305 روبند | CLAMP, INFINITELY VARIABLE E305
روبند | E371 | Clamp
E4021 پیچ تنظیم ارتفاع | SCREW E4021