صفحه راهنما گرافیت دار | D067 | Sliding Pad

Sliding Pad

مشخصات :

● بدون روانكار مايع
● جنس: فسفر برنز/چدن
● ISO 9183-1
● در حركتهای خطی و چرخشی در اغلب صنايع مهندسی از جمله قالبسازی كاربرد دارند.
● مزايای راهنمای گرافیت دار:
- دارای خصوصيات خوب لغزشی در شرايط بحرانی.
- بالاترين ظرفيت تحمل بار در سرعتهای کم.
- قابل استفاده در آب و يا محلولهای شيميايی.
- قابليت تحمل طيف وسيعی از دمای سرد و گرم.
- مستهلک كننده ارتعاشات.


  فایل CATPart   فایل STP

خرید محصول
اشتراک گذاری
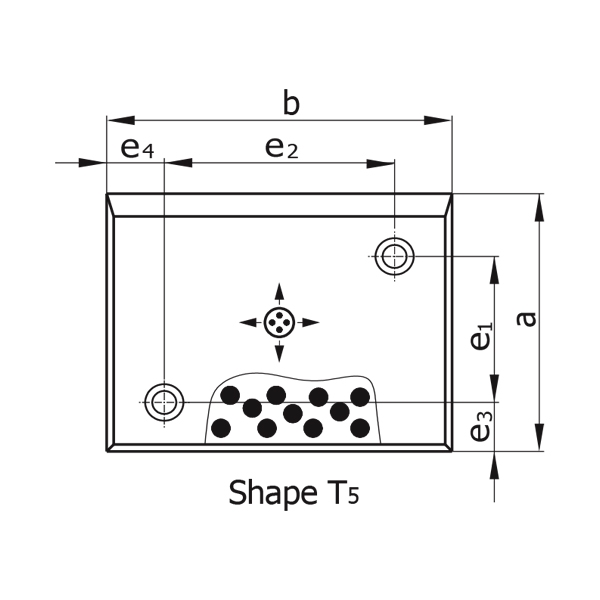
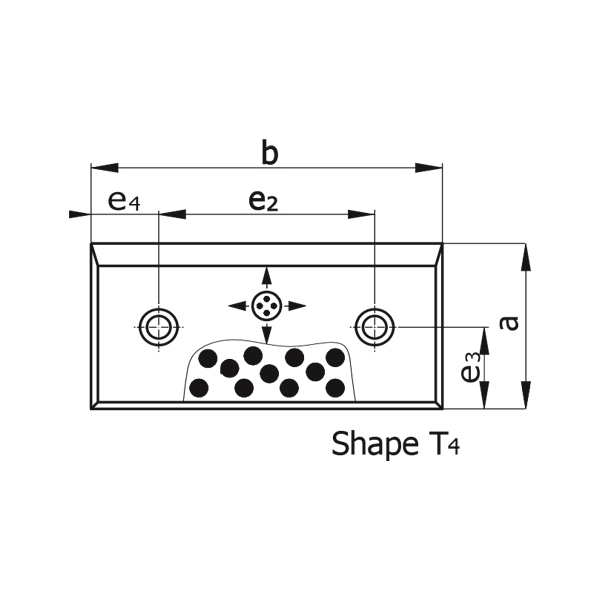
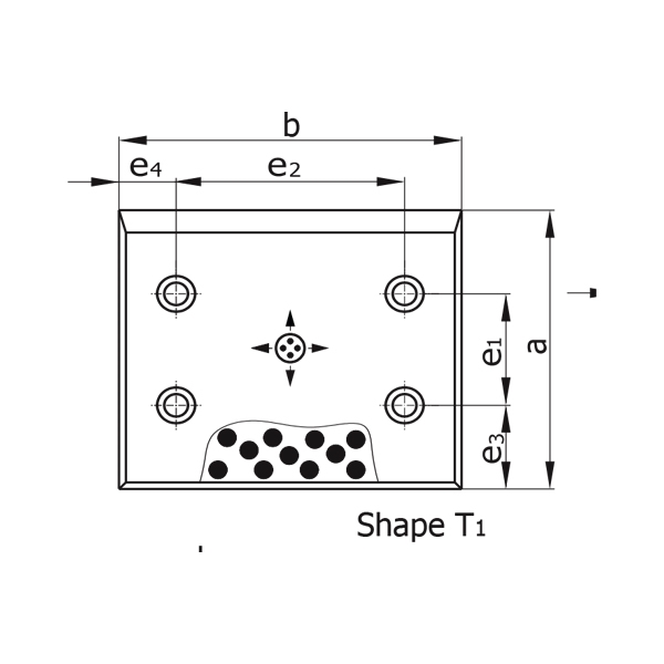
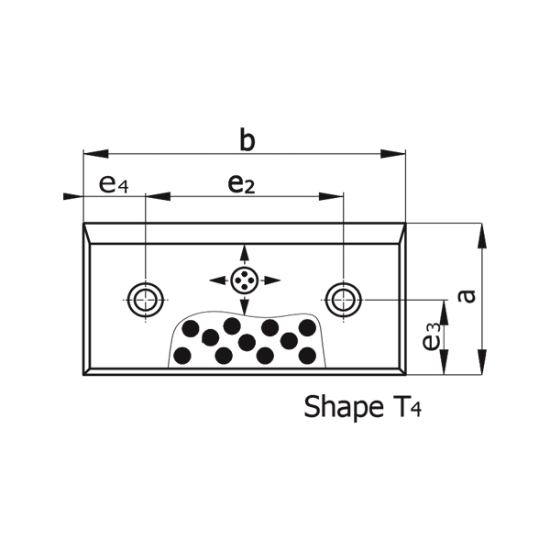
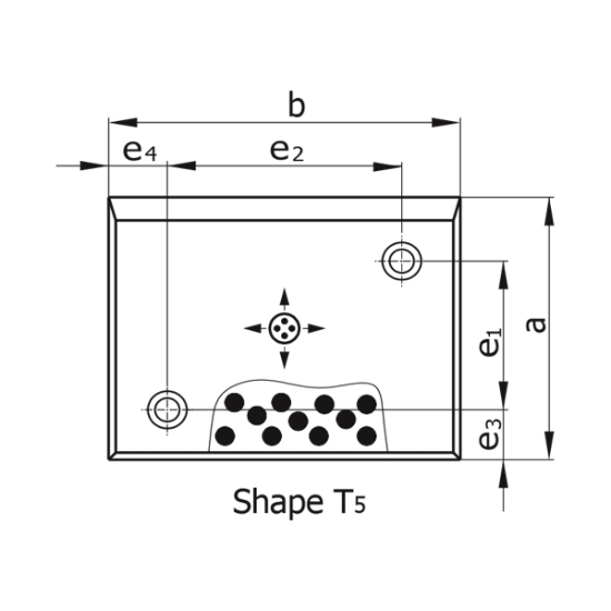
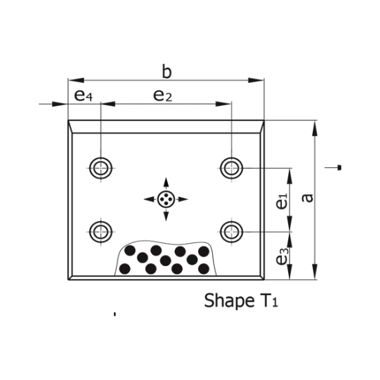
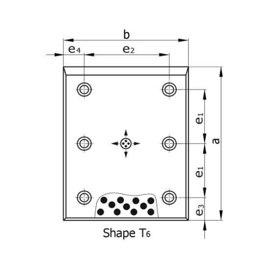
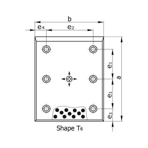
تصویر صفحه راهنما گرافیت دار | D067 | Sliding Pad
تصویر صفحه راهنما گرافیت دار | D067 | Sliding Pad
تصویر صفحه راهنما گرافیت دار | D067 | Sliding Pad
تصویر صفحه راهنما گرافیت دار | D067 | Sliding Pad
تصویر صفحه راهنما گرافیت دار | D067 | Sliding Pad
تصویر صفحه راهنما گرافیت دار | D067 | Sliding Pad
تصویر صفحه راهنما گرافیت دار | D067 | Sliding Pad
عنوان فایل حجم نسخه دانلود
فایل سه بعدی CATPart برای صفحه راهنما گرافیت دار D067 d067-catpart.rar 264.8 KB پاییز 1401
فایل سه بعدی STP برای صفحه راهنما گرافیت دار D067 d067-stp.rar 310.3 KB پاییز 1401
درحال بارگذاری

توجه:


● قبل از استفاده، سطوح لغزشی آغشته به گریس لیتیم شود.

● 25 الی30 درصد از سطح سیستم راهنما بوسیله گرافیت پوشش داده شده است.

● سطوح مقابل باید سنگ خورده باشند و ترجیحا توازی در حرکت رعایت شود.

● تحمل حرارتی تا °200C جهت مصارف عمومی.

نظر خودتان را بنویسد

اگر پرسش یا نظری دارید ثبت کنید و امتیاز بگیرید.