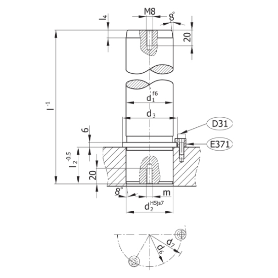
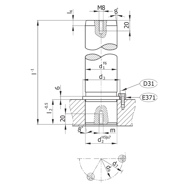
میله راهنما پله دار | D029

Guide Pillar With Collar

مشخصات :

● این کالا به صورت سفارشی ساخته می شود.
● جنس: فولاد ، سخت شده
● سختی سطح: 2+60 HRC
● عمق نفوذ سختی: 1.5mm
● توصيه می شود اين ميله راهنما با بوشهای گرافيت دار كد D046 و D043 استفاده گردد.

● برای سفارش با واحد فروش قطعات پیش ساخته در ارتباط باشید.

  فایل CATPart   فایل STP

خرید محصول
اشتراک گذاری
تصویر میله راهنما پله دار | D029
عنوان فایل حجم نسخه دانلود
فایل سه بعدی CATPart برای میله راهنما D029 d029-catpart.rar 124.7 KB پاییز 1401
فایل سه بعدی STP برای میله راهنما D029 d029-stp.rar 790.5 KB پاییز 1401
درحال بارگذاری
نظر خودتان را بنویسد

اگر پرسش یا نظری دارید ثبت کنید و امتیاز بگیرید.