|
نکته:
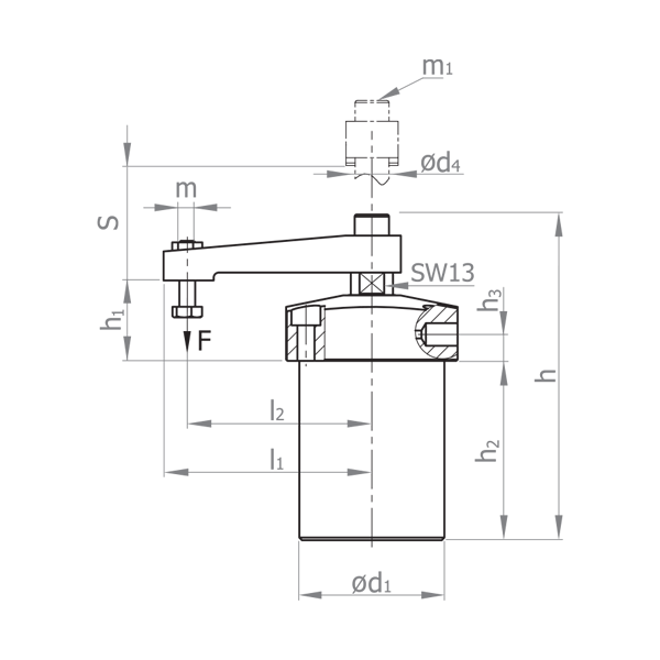
نصب اهرم چرخشی
1- قرار دادن اهرم چرخشی بر روی محور پیستون بوسیله پیچ.
2- چرخاندن اهرم و قرار دادن در موقعیت مناسب.
3- بوسیله آچار محور پیستون را ثابت کرده و پیچ را محکم می کنیم.
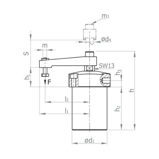
جدا کردن اهرم چرخشی
1- نگه داشتن محور پیستون بوسیله آچار و باز کردن پیچ.
2- مطابق با تصاویر زیر، برای جدا کردن اهرم چرخشی از محور پیستون، بوسیله چکش پلاستیکی در قسمت انتهایی اهرم ضربات ملایم وارد کرده و اهرم را جدا می کنیم.
3- جایگزین کردن اهرم غیر استاندارد با اهرم استاندارد منجر به آسیب جدی به کلمپ می گردد. (منظور از اهرم غیر استاندارد، اهرم با طول بازوی بیشتر می باشد.)

|